陶瓷雾化片 Atomization Piece
陶瓷晶振 Ceramic SMD crystal
陶瓷滤波器 CeramicFilter
声表面滤波器|谐振器 SAW filter
千赫晶体KHZ KHz Crystal
石英晶振 Quartz Crystal
贴片晶振 SMD crystal
NJR晶振
应达利晶振
日本大真空晶体 KDS晶振
精工晶振 SEIKO晶体
日本村田陶瓷晶振
西铁城晶振 CITIZEN晶振
爱普生晶振 EPSON晶振
NSK晶振 NSK晶振
大河晶振 大河晶振
CTS晶振 美国CTS晶振
TXC晶振 TXC晶振
鸿星晶振 鸿星晶振
加高晶振 加高晶振
百利通亚陶晶振 百利通亚陶晶振
泰艺晶振 泰艺晶振
京瓷晶振 京瓷晶振
NDK晶振 NDK晶振
希华晶振 希华晶振
富士晶振 富士晶振
MERCURY晶振
NAKA晶振
SMI晶振
安基晶振
NKG晶振
Renesas瑞萨晶振
ITTI晶振
CTS晶振
Abracon晶振
微晶晶振
瑞康晶振
FOX晶振
Statek晶振
ECS晶振
IDT晶振
高利奇晶振
SiTime晶振
日蚀晶振
康纳温菲尔德晶振
Jauch晶振
维管晶振
拉隆晶振
格林雷晶振
Pletronics晶振
AEK晶振
AEL晶振
Cardinal晶振
Crystek晶振
Euroquartz晶振
Frequency晶振
GEYER晶振
ILSI晶振
KVG晶振
MMDCOMP晶振
MtronPTI晶振
QANTEK晶振
QuartzCom晶振
QuartzChnik晶振
SUNTSU晶振
Transko晶振
WI2WI晶振
韩国三呢晶振
ARGO晶振
ACT晶振
Milliren晶振
韩国Lihom晶振
rubyquartz晶振
美国Oscilent晶振
韩国SHINSUNG晶振
PDI晶振
C-TECH晶振
IQD晶振
Microchip晶振
Fortiming晶振
CORE晶振
NIPPON晶振
NIC晶振
QVS晶振
Bomar晶振
Bliley晶振
GED晶振
FILTRONETICS晶振
STD晶振
Q-Tech晶振
Anderson晶振
Wenzel晶振
NEL晶振
EM晶振
德国PETERMANN晶振
荷兰FCD-Tech晶体
HEC晶振
FMI晶振
Macrobizes晶振
德国AXTAL晶振
Silicon晶振
SKYWORKS晶振
DEI晶振
石英晶体振荡器 石英晶体振荡器
压控晶振 压控晶振
温补晶振 温补晶振
压控温补晶振 压控温补晶振
恒温晶振 恒温晶振
差分晶振 差分晶振
32.768K有源晶振 32.768K有源晶振
座机: 0755-27876565
手机: 18924600166
E-mail:yijindz@163.com
QQ:857950243
地址:深圳市宝安区新安107国道旁甲岸路
CB3LV-3I-12M000000,CTS西迪斯晶振,7050有源四脚晶振
.png)
.png)
CB3LV-3I-12M000000,CTS西迪斯晶振,7050有源四脚晶振
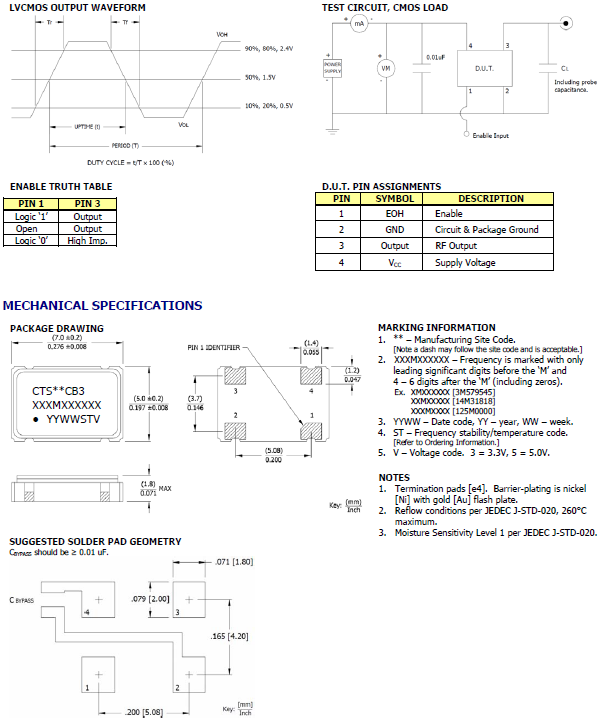
作为CTS西迪斯晶振旗下的核心晶振产品,CB3LV-3I-12M000000以"高稳定性+高兼容性"为核心优势.7050封装尺寸兼顾空间利用率与散热性能,有源驱动设计确保信号输出强度稳定,四脚引脚布局适配主流PCB板设计规范,无需额外调整电路即可快速集成.同时,产品具备宽温工作能力(通常覆盖-40℃至+85℃),能在复杂环境下保持频率精度,有效降低设备因时钟信号波动导致的故障风险,是通信设备,医疗仪器等领域的可靠选择.其12MHz稳定频率可保障数据传输的时序同步,在汽车电子辅助系统中,宽温特性与抗干扰能力能应对车载环境的温度波动与电磁干扰,在消费电子(如平板电脑晶振,智能穿戴设备)中,7050小巧封装可节省PCB板空间,适配设备轻薄化设计,全方位满足不同场景下的性能与尺寸需求.
.png)
.png)
CB3LV-3I-12M000000,CTS西迪斯晶振,7050有源四脚晶振
| 原厂型号 Originalmodel: | CB3LV-3I-12M000000 | 品牌brand: | CTS |
| Manufacturer品牌 | CTS | OperatingTemperature温度 | -40℃~+85℃ |
| Series型号 | CB3LV | Current-Supply(Max) | - |
| Type类型 | XO | PackageHeight高度 | 1.0mm |
| Frequency频率 | 12M | Termination 脚位 | 4-pad |
| 输出方式 Output: | HCMOS;TTL输出 | PackageType 封装类型 | 4-SMD |
| Voltage-Supply电压 | 3.3V | Packaging 包装 | TapeandReel |
| FrequencyStability频率稳定度 | ±50PP | 安装方式 Installation: | Surfacemount |
| Size/Dimension尺寸 | 7050有源晶振 | 最小包装数MPQ: | 1000 |
.png)
.png)
CB3LV-3I-12M000000,CTS西迪斯晶振,7050有源四脚晶振

CB3LV-3I-12M000000,CTS西迪斯晶振,7050有源四脚晶振
| 334P1555B4I2T | CTS | 334P/L | VCXO | 155.52 MHz | LVPECL | 2.5V | ±30ppm | -40°C ~ 85°C |
| 334P1555B4I3T | CTS | 334P/L | VCXO | 155.52 MHz | LVPECL | 3.3V | ±30ppm | -40°C ~ 85°C |
| 334P1555B5C2T | CTS | 334P/L | VCXO | 155.52 MHz | LVPECL | 2.5V | ±25ppm | -20°C ~ 70°C |
| 334P1555B5C3T | CTS | 334P/L | VCXO | 155.52 MHz | LVPECL | 3.3V | ±25ppm | -20°C ~ 70°C |
| 334P1562B3C2T | CTS | 334P/L | VCXO | 156.25 MHz | LVPECL | 2.5V | ±50ppm | -20°C ~ 70°C |
| 334P1562B3C3T | CTS | 334P/L | VCXO | 156.25 MHz | LVPECL | 3.3V | ±50ppm | -20°C ~ 70°C |
| 334P1562B3I2T | CTS | 334P/L | VCXO | 156.25 MHz | LVPECL | 2.5V | ±50ppm | -40°C ~ 85°C |
| 334P1562B3I3T | CTS | 334P/L | VCXO | 156.25 MHz | LVPECL | 3.3V | ±50ppm | -40°C ~ 85°C |
| 334P1562B4C2T | CTS | 334P/L | VCXO | 156.25 MHz | LVPECL | 2.5V | ±30ppm | -20°C ~ 70°C |
| 334P1562B4C3T | CTS | 334P/L | VCXO | 156.25 MHz | LVPECL | 3.3V | ±30ppm | -20°C ~ 70°C |
| 334P1562B4I2T | CTS | 334P/L | VCXO | 156.25 MHz | LVPECL | 2.5V | ±30ppm | -40°C ~ 85°C |
| 334P1562B4I3T | CTS | 334P/L | VCXO | 156.25 MHz | LVPECL | 3.3V | ±30ppm | -40°C ~ 85°C |
| 334P1562B5C2T | CTS | 334P/L | VCXO | 156.25 MHz | LVPECL | 2.5V | ±25ppm | -20°C ~ 70°C |
| 334P1562B5C3T | CTS | 334P/L | VCXO | 156.25 MHz | LVPECL | 3.3V | ±25ppm | -20°C ~ 70°C |
| 334P2000B3C2T | CTS | 334P/L | VCXO | 200 MHz | LVPECL | 2.5V | ±50ppm | -20°C ~ 70°C |
| 334P2000B3C3T | CTS | 334P/L | VCXO | 200 MHz | LVPECL | 3.3V | ±50ppm | -20°C ~ 70°C |
| 334P2000B3I2T | CTS | 334P/L | VCXO | 200 MHz | LVPECL | 2.5V | ±50ppm | -40°C ~ 85°C |
| 334P2000B3I3T | CTS | 334P/L | VCXO | 200 MHz | LVPECL | 3.3V | ±50ppm | -40°C ~ 85°C |
| 334P2000B4C2T | CTS | 334P/L | VCXO | 200 MHz | LVPECL | 2.5V | ±30ppm | -20°C ~ 70°C |
| 334P2000B4C3T | CTS | 334P/L | VCXO | 200 MHz | LVPECL | 3.3V | ±30ppm | -20°C ~ 70°C |
| 334P2000B4I2T | CTS | 334P/L | VCXO | 200 MHz | LVPECL | 2.5V | ±30ppm | -40°C ~ 85°C |
| 334P2000B4I3T | CTS | 334P/L | VCXO | 200 MHz | LVPECL | 3.3V | ±30ppm | -40°C ~ 85°C |
| 334P2000B5C2T | CTS | 334P/L | VCXO | 200 MHz | LVPECL | 2.5V | ±25ppm | -20°C ~ 70°C |
| 334P2000B5C3T | CTS | 334P/L | VCXO | 200 MHz | LVPECL | 3.3V | ±25ppm | -20°C ~ 70°C |
| 334P2500B3C2T | CTS | 334P/L | VCXO | 250 MHz | LVPECL | 2.5V | ±50ppm | -20°C ~ 70°C |
| 334P2500B3C3T | CTS | 334P/L | VCXO | 250 MHz | LVPECL | 3.3V | ±50ppm | -20°C ~ 70°C |
| 334P2500B3I2T | CTS | 334P/L | VCXO | 250 MHz | LVPECL | 2.5V | ±50ppm | -40°C ~ 85°C |
| 334P2500B3I3T | CTS | 334P/L | VCXO | 250 MHz | LVPECL | 3.3V | ±50ppm | -40°C ~ 85°C |
| 334P2500B4C2T | CTS | 334P/L | VCXO | 250 MHz | LVPECL | 2.5V | ±30ppm | -20°C ~ 70°C |
| 334P2500B4C3T | CTS | 334P/L | VCXO | 250 MHz | LVPECL | 3.3V | ±30ppm | -20°C ~ 70°C |
| 334P2500B4I2T | CTS | 334P/L | VCXO | 250 MHz | LVPECL | 2.5V | ±30ppm | -40°C ~ 85°C |
| 334P2500B4I3T | CTS | 334P/L | VCXO | 250 MHz | LVPECL | 3.3V | ±30ppm | -40°C ~ 85°C |
| 334P2500B5C2T | CTS | 334P/L | VCXO | 250 MHz | LVPECL | 2.5V | ±25ppm | -20°C ~ 70°C |
| 334P2500B5C3T | CTS | 334P/L | VCXO | 250 MHz | LVPECL | 3.3V | ±25ppm | -20°C ~ 70°C |
| 334P250B3C2T | CTS | 334P/L | VCXO | 25 MHz | LVPECL | 2.5V | ±50ppm | -20°C ~ 70°C |
| 334P250B3C3T | CTS | 334P/L | VCXO | 25 MHz | LVPECL | 3.3V | ±50ppm | -20°C ~ 70°C |
| 334P250B3I2T | CTS | 334P/L | VCXO | 25 MHz | LVPECL | 2.5V | ±50ppm | -40°C ~ 85°C |
| 334P250B3I3T | CTS | 334P/L | VCXO | 25 MHz | LVPECL | 3.3V | ±50ppm | -40°C ~ 85°C |
| 334P250B4C2T | CTS | 334P/L | VCXO | 25 MHz | LVPECL | 2.5V | ±30ppm | -20°C ~ 70°C |
| 334P250B4C3T | CTS | 334P/L | VCXO | 25 MHz | LVPECL | 3.3V | ±30ppm | -20°C ~ 70°C |
| 334P250B4I2T | CTS | 334P/L | VCXO | 25 MHz | LVPECL | 2.5V | ±30ppm | -40°C ~ 85°C |
| 334P250B4I3T | CTS | 334P/L | VCXO | 25 MHz | LVPECL | 3.3V | ±30ppm | -40°C ~ 85°C |
| 334P250B5C2T | CTS | 334P/L | VCXO | 25 MHz | LVPECL | 2.5V | ±25ppm | -20°C ~ 70°C |
| 334P250B5C3T | CTS | 334P/L | VCXO | 25 MHz | LVPECL | 3.3V | ±25ppm | -20°C ~ 70°C |
| 334P3000B3C2T | CTS | 334P/L | VCXO | 300 MHz | LVPECL | 2.5V | ±50ppm | -20°C ~ 70°C |
| 334P3000B3C3T | CTS | 334P/L | VCXO | 300 MHz | LVPECL | 3.3V | ±50ppm | -20°C ~ 70°C |
| 334P3000B3I2T | CTS | 334P/L | VCXO | 300 MHz | LVPECL | 2.5V | ±50ppm | -40°C ~ 85°C |
| 334P3000B3I3T | CTS | 334P/L | VCXO | 300 MHz | LVPECL | 3.3V | ±50ppm | -40°C ~ 85°C |
| 334P3000B4C2T | CTS | 334P/L | VCXO | 300 MHz | LVPECL | 2.5V | ±30ppm | -20°C ~ 70°C |
| 334P3000B4C3T | CTS | 334P/L | VCXO | 300 MHz | LVPECL | 3.3V | ±30ppm | -20°C ~ 70°C |
| 334P3000B4I2T | CTS | 334P/L | VCXO | 300 MHz | LVPECL | 2.5V | ±30ppm | -40°C ~ 85°C |
| 334P3000B4I3T | CTS | 334P/L | VCXO | 300 MHz | LVPECL | 3.3V | ±30ppm | -40°C ~ 85°C |
| 334P3000B5C2T | CTS | 334P/L | VCXO | 300 MHz | LVPECL | 2.5V | ±25ppm | -20°C ~ 70°C |
| 334P3000B5C3T | CTS | 334P/L | VCXO | 300 MHz | LVPECL | 3.3V | ±25ppm | -20°C ~ 70°C |
| 334P3125B3C2T | CTS | 334P/L | VCXO | 312.5 MHz | LVPECL | 2.5V | ±50ppm | -20°C ~ 70°C |
| 334P3125B3C3T | CTS | 334P/L | VCXO | 312.5 MHz | LVPECL | 3.3V | ±50ppm | -20°C ~ 70°C |
| 334P3125B3I2T | CTS | 334P/L | VCXO | 312.5 MHz | LVPECL | 2.5V | ±50ppm | -40°C ~ 85°C |
| 334P3125B3I3T | CTS | 334P/L | VCXO | 312.5 MHz | LVPECL | 3.3V | ±50ppm | -40°C ~ 85°C |
| 334P3125B4C2T | CTS | 334P/L | VCXO | 312.5 MHz | LVPECL | 2.5V | ±30ppm | -20°C ~ 70°C |
| 334P3125B4C3T | CTS | 334P/L | VCXO | 312.5 MHz | LVPECL | 3.3V | ±30ppm | -20°C ~ 70°C |
.png)
公司:深圳市亿金电子有限公司
SHENZHEN YIJIN ELECTRONICS CO;LTD
电话:0755-27876565
手机:18924600166
QQ:857950243
邮箱:yijindz@163.com
网站:http://www.yijindz.com
地址:广东省深圳市宝安区新安107国道旁






销售代表