陶瓷雾化片 Atomization Piece
陶瓷晶振 Ceramic SMD crystal
陶瓷滤波器 CeramicFilter
声表面滤波器|谐振器 SAW filter
千赫晶体KHZ KHz Crystal
石英晶振 Quartz Crystal
贴片晶振 SMD crystal
NJR晶振
应达利晶振
日本大真空晶体 KDS晶振
精工晶振 SEIKO晶体
日本村田陶瓷晶振
西铁城晶振 CITIZEN晶振
爱普生晶振 EPSON晶振
NSK晶振 NSK晶振
大河晶振 大河晶振
CTS晶振 美国CTS晶振
TXC晶振 TXC晶振
鸿星晶振 鸿星晶振
加高晶振 加高晶振
百利通亚陶晶振 百利通亚陶晶振
泰艺晶振 泰艺晶振
京瓷晶振 京瓷晶振
NDK晶振 NDK晶振
希华晶振 希华晶振
富士晶振 富士晶振
MERCURY晶振
NAKA晶振
SMI晶振
安基晶振
NKG晶振
Renesas瑞萨晶振
ITTI晶振
CTS晶振
Abracon晶振
微晶晶振
瑞康晶振
FOX晶振
Statek晶振
ECS晶振
IDT晶振
高利奇晶振
SiTime晶振
日蚀晶振
康纳温菲尔德晶振
Jauch晶振
维管晶振
拉隆晶振
格林雷晶振
Pletronics晶振
AEK晶振
AEL晶振
Cardinal晶振
Crystek晶振
Euroquartz晶振
Frequency晶振
GEYER晶振
ILSI晶振
KVG晶振
MMDCOMP晶振
MtronPTI晶振
QANTEK晶振
QuartzCom晶振
QuartzChnik晶振
SUNTSU晶振
Transko晶振
WI2WI晶振
韩国三呢晶振
ARGO晶振
ACT晶振
Milliren晶振
韩国Lihom晶振
rubyquartz晶振
美国Oscilent晶振
韩国SHINSUNG晶振
PDI晶振
C-TECH晶振
IQD晶振
Microchip晶振
Fortiming晶振
CORE晶振
NIPPON晶振
NIC晶振
QVS晶振
Bomar晶振
Bliley晶振
GED晶振
FILTRONETICS晶振
STD晶振
Q-Tech晶振
Anderson晶振
Wenzel晶振
NEL晶振
EM晶振
德国PETERMANN晶振
荷兰FCD-Tech晶体
HEC晶振
FMI晶振
Macrobizes晶振
德国AXTAL晶振
Silicon晶振
SKYWORKS晶振
DEI晶振
石英晶体振荡器 石英晶体振荡器
压控晶振 压控晶振
温补晶振 温补晶振
压控温补晶振 压控温补晶振
恒温晶振 恒温晶振
差分晶振 差分晶振
32.768K有源晶振 32.768K有源晶振
座机: 0755-27876565
手机: 18924600166
E-mail:yijindz@163.com
QQ:857950243
地址:深圳市宝安区新安107国道旁甲岸路
CSTCR4M00G55E-R0,muRata石英谐振器,4520高密度封装晶振
.png)
.png)
CSTCR4M00G55E-R0,muRata石英谐振器,4520高密度封装晶振
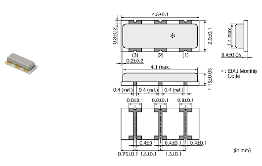
村田晶振CSTCR4M00G55E-R0作为一款高可靠性石英谐振器,4520高密度封装赋予其优异的量产兼容性与装配便利性.产品标称频率4.000MHz,频率精度与温度稳定性表现出色,配合60Ω的低谐振阻抗,能快速启动振荡并维持稳定输出.依托村田在陶瓷元件领域培育的高供应稳定性,该产品可保障大规模量产的持续供货能力,同时提供全面的技术支持与IC匹配服务,是智能穿戴,小型家电,工业控制模块等设备的理想时钟频率解决方案.
.png)
.png)
CSTCR4M00G55E-R0,muRata石英谐振器,4520高密度封装晶振
| 原厂型号 Originalmodel: | CSTCR4M00G55E-R0 | 品牌brand: | muRata |
| 品牌brand: | muRata石英晶振 | 高度PackageHeight: | 1.16mm |
| 型号名称 Modelname: | CSTCR | 温度OperatingTemperature | -20+80℃ |
| Type系列: | MHz Crystal | 脚位Termination: | 3-Pad |
| 频率 frequency: | 4M | 封装类型PackageType: | 3-smd |
| frequencytolerance频率容差 | ±0.5ppm | 最小包装数MPQ: | 1000 |
| Loadcapacitance 负载电容 | 39PF | Packaging 包装 | TapeandReel |
| Size/Dimension尺寸 | 4520mm | 安装方式 Installation: | Surfacemount |
.png)
.png)
CSTCR4M00G55E-R0,muRata石英谐振器,4520高密度封装晶振

CSTCR4M00G55E-R0,muRata石英谐振器,4520高密度封装晶振
| SG-8018CG 32.5140M-TJHSA0 | EPSON | SG-8018 | XO | 32.514 MHz | CMOS |
| SG-8018CG 12.7000M-TJHPA0 | EPSON | SG-8018 | XO | 12.7 MHz | CMOS |
| SG-8018CG 133.302860M-TJHPA0 | EPSON | SG-8018 | XO | 133.30286 MHz | CMOS |
| SG-8018CG 26.296750M-TJHPA0 | EPSON | SG-8018 | XO | 26.29675 MHz | CMOS |
| SG-8018CG 45.4545M-TJHPA0 | EPSON | SG-8018 | XO | 45.4545 MHz | CMOS |
| SG-8018CG 31.3500M-TJHSA0 | EPSON | SG-8018 | XO | 31.35 MHz | CMOS |
| SG-8018CG 12.2727M-TJHPA0 | EPSON | SG-8018 | XO | 12.2727 MHz | CMOS |
| SG-8018CG 12.8800M-TJHSA0 | EPSON | SG-8018 | XO | 12.88 MHz | CMOS |
| SG-8018CG 132.8130M-TJHPA0 | EPSON | SG-8018 | XO | 132.813 MHz | CMOS |
| SG-8018CG 4.096250M-TJHSA0 | EPSON | SG-8018 | XO | 4.09625 MHz | CMOS |
| SG-8018CG 97.2000M-TJHSA0 | EPSON | SG-8018 | XO | 97.2 MHz | CMOS |
| SG-8018CG 0.7990M-TJHSA0 | EPSON | SG-8018 | XO | 799 kHz | CMOS |
| SG-8018CG 32.1060M-TJHPA0 | EPSON | SG-8018 | XO | 32.106 MHz | CMOS |
| SG-8018CG 23.0140M-TJHSA0 | EPSON | SG-8018 | XO | 23.014 MHz | CMOS |
| SG-8018CG 16.3840M-TJHPA0 | EPSON | SG-8018 | XO | 16.384 MHz | CMOS |
| SG-8018CG 50.1100M-TJHSA0 | EPSON | SG-8018 | XO | 50.11 MHz | CMOS |
| SG-8018CG 18.0224M-TJHPA0 | EPSON | SG-8018 | XO | 18.0224 MHz | CMOS |
| SG-8018CG 16.3860M-TJHSA0 | EPSON | SG-8018 | XO | 16.386 MHz | CMOS |
| SG-8018CG 53.0000M-TJHSA0 | EPSON | SG-8018 | XO | 53 MHz | CMOS |
| SG-8018CG 56.6500M-TJHSA0 | EPSON | SG-8018 | XO | 56.65 MHz | CMOS |
| SG-8018CG 13.553750M-TJHSA0 | EPSON | SG-8018 | XO | 13.55375 MHz | CMOS |
| SG-8018CG 45.0000M-TJHPA0 | EPSON | SG-8018 | XO | 45 MHz | CMOS |
| SG-8018CG 100.0100M-TJHPA0 | EPSON | SG-8018 | XO | 100.01 MHz | CMOS |
| SG-8018CG 93.7500M-TJHSA0 | EPSON | SG-8018 | XO | 93.75 MHz | CMOS |
| SG-8018CG 19.2840M-TJHPA0 | EPSON | SG-8018 | XO | 19.284 MHz | CMOS |
| SG-8018CG 139.2460M-TJHSA0 | EPSON | SG-8018 | XO | 139.246 MHz | CMOS |
| SG-8018CG 100.0500M-TJHPA0 | EPSON | SG-8018 | XO | 100.05 MHz | CMOS |
| SG-8018CG 19.4444M-TJHPA0 | EPSON | SG-8018 | XO | 19.4444 MHz | CMOS |
| SG-8018CG 26.8300M-TJHSA0 | EPSON | SG-8018 | XO | 26.83 MHz | CMOS |
| SG-8018CG 32.7500M-TJHSA0 | EPSON | SG-8018 | XO | 32.75 MHz | CMOS |
| SG-8018CG 135.2650M-TJHPA0 | EPSON | SG-8018 | XO | 135.265 MHz | CMOS |
| SG-8018CG 27.000625M-TJHSA0 | EPSON | SG-8018 | XO | 27.000625 MHz | CMOS |
| SG-8018CG 138.7000M-TJHPA0 | EPSON | SG-8018 | XO | 138.7 MHz | CMOS |
| SG-8018CG 32.2500M-TJHSA0 | EPSON | SG-8018 | XO | 32.25 MHz | CMOS |
| SG-8018CG 137.5000M-TJHPA0 | EPSON | SG-8018 | XO | 137.5 MHz | CMOS |
| SG-8018CG 0.9000M-TJHSA0 | EPSON | SG-8018 | XO | 900 kHz | CMOS |
| SG-8018CG 56.4480M-TJHSA0 | EPSON | SG-8018 | XO | 56.448 MHz | CMOS |
| SG-8018CG 26.9900M-TJHSA0 | EPSON | SG-8018 | XO | 26.99 MHz | CMOS |
| SG-8018CG 120.9600M-TJHSA0 | EPSON | SG-8018 | XO | 120.96 MHz | CMOS |
| SG-8018CG 14.089190M-TJHSA0 | EPSON | SG-8018 | XO | 14.08919 MHz | CMOS |
| SG-8018CG 32.507936M-TJHSA0 | EPSON | SG-8018 | XO | 32.507936 MHz | CMOS |
| SG-8018CG 100.0400M-TJHPA0 | EPSON | SG-8018 | XO | 100.04 MHz | CMOS |
| SG-8018CG 19.6870M-TJHPA0 | EPSON | SG-8018 | XO | 19.687 MHz | CMOS |
| SG-8018CG 44.5450M-TJHPA0 | EPSON | SG-8018 | XO | 44.545 MHz | CMOS |
| SG-8018CG 4.9150M-TJHSA0 | EPSON | SG-8018 | XO | 4.915 MHz | CMOS |
| SG-8018CG 4.3000M-TJHSA0 | EPSON | SG-8018 | XO | 4.3 MHz | CMOS |
| SG-8018CG 32.5140M-TJHPA0 | EPSON | SG-8018 | XO | 32.514 MHz | CMOS |
| SG-8018CG 55.5555M-TJHSA0 | EPSON | SG-8018 | XO | 55.5555 MHz | CMOS |
| SG-8018CG 50.0080M-TJHPA0 | EPSON | SG-8018 | XO | 50.008 MHz | CMOS |
| SG-8018CG 23.8040M-TJHSA0 | EPSON | SG-8018 | XO | 23.804 MHz | CMOS |
| SG-8018CG 121.0000M-TJHPA0 | EPSON | SG-8018 | XO | 121 MHz | CMOS |
| SG-8018CG 27.0016M-TJHPA0 | EPSON | SG-8018 | XO | 27.0016 MHz | CMOS |
| SG-8018CG 148.2200M-TJHPA0 | EPSON | SG-8018 | XO | 148.22 MHz | CMOS |
| SG-8018CG 99.9300M-TJHSA0 | EPSON | SG-8018 | XO | 99.93 MHz | CMOS |
| SG-8018CG 14.0500M-TJHSA0 | EPSON | SG-8018 | XO | 14.05 MHz | CMOS |
| SG-8018CG 98.7650M-TJHSA0 | EPSON | SG-8018 | XO | 98.765 MHz | CMOS |
| SG-8018CG 46.495960M-TJHPA0 | EPSON | SG-8018 | XO | 46.49596 MHz | CMOS |
| SG-8018CG 50.0025M-TJHSA0 | EPSON | SG-8018 | XO | 50.0025 MHz | CMOS |
| SG-8018CG 64.5160M-TJHSA0 | EPSON | SG-8018 | XO | 64.516 MHz | CMOS |
| SG-8018CG 0.7840M-TJHPA0 | EPSON | SG-8018 | XO | 784 kHz | CMOS |
.png)
公司:深圳市亿金电子有限公司
SHENZHEN YIJIN ELECTRONICS CO;LTD
电话:0755-27876565
手机:18924600166
QQ:857950243
邮箱:yijindz@163.com
网站:http://www.yijindz.com
地址:广东省深圳市宝安区新安107国道旁






销售代表