陶瓷雾化片 Atomization Piece
陶瓷晶振 Ceramic SMD crystal
陶瓷滤波器 CeramicFilter
声表面滤波器|谐振器 SAW filter
千赫晶体KHZ KHz Crystal
石英晶振 Quartz Crystal
贴片晶振 SMD crystal
NJR晶振
应达利晶振
日本大真空晶体 KDS晶振
精工晶振 SEIKO晶体
日本村田陶瓷晶振
西铁城晶振 CITIZEN晶振
爱普生晶振 EPSON晶振
NSK晶振 NSK晶振
大河晶振 大河晶振
CTS晶振 美国CTS晶振
TXC晶振 TXC晶振
鸿星晶振 鸿星晶振
加高晶振 加高晶振
百利通亚陶晶振 百利通亚陶晶振
泰艺晶振 泰艺晶振
京瓷晶振 京瓷晶振
NDK晶振 NDK晶振
希华晶振 希华晶振
富士晶振 富士晶振
MERCURY晶振
NAKA晶振
SMI晶振
安基晶振
NKG晶振
Renesas瑞萨晶振
ITTI晶振
CTS晶振
Abracon晶振
微晶晶振
瑞康晶振
FOX晶振
Statek晶振
ECS晶振
IDT晶振
高利奇晶振
SiTime晶振
日蚀晶振
康纳温菲尔德晶振
Jauch晶振
维管晶振
拉隆晶振
格林雷晶振
Pletronics晶振
AEK晶振
AEL晶振
Cardinal晶振
Crystek晶振
Euroquartz晶振
Frequency晶振
GEYER晶振
ILSI晶振
KVG晶振
MMDCOMP晶振
MtronPTI晶振
QANTEK晶振
QuartzCom晶振
QuartzChnik晶振
SUNTSU晶振
Transko晶振
WI2WI晶振
韩国三呢晶振
ARGO晶振
ACT晶振
Milliren晶振
韩国Lihom晶振
rubyquartz晶振
美国Oscilent晶振
韩国SHINSUNG晶振
PDI晶振
C-TECH晶振
IQD晶振
Microchip晶振
Fortiming晶振
CORE晶振
NIPPON晶振
NIC晶振
QVS晶振
Bomar晶振
Bliley晶振
GED晶振
FILTRONETICS晶振
STD晶振
Q-Tech晶振
Anderson晶振
Wenzel晶振
NEL晶振
EM晶振
德国PETERMANN晶振
荷兰FCD-Tech晶体
HEC晶振
FMI晶振
Macrobizes晶振
德国AXTAL晶振
Silicon晶振
SKYWORKS晶振
DEI晶振
石英晶体振荡器 石英晶体振荡器
压控晶振 压控晶振
温补晶振 温补晶振
压控温补晶振 压控温补晶振
恒温晶振 恒温晶振
差分晶振 差分晶振
32.768K有源晶振 32.768K有源晶振
座机: 0755-27876565
手机: 18924600166
E-mail:yijindz@163.com
QQ:857950243
地址:深圳市宝安区新安107国道旁甲岸路
XRCGE20M000F3A1AR0,Murata村田晶振,耐高温晶振
.png)
.png)
XRCGE20M000F3A1AR0,Murata村田晶振,耐高温晶振
该晶振凭借日本村田晶振专属的耐高温材料配方与特殊封装工艺,具备远超普通晶振的耐高温特性,其工作温度范围可稳定覆盖-40℃的低温极限至+125℃的高温峰值(具体参数需以官方最新规格书为准).这一性能使其在极端环境中展现出极强的适应性:例如在汽车发动机舱内,当发动机运转产生的热量使周边温度升至100℃以上时,该晶振仍能保持稳定振荡,确保车载ECU对发动机工况的精准调控,在工业高温生产车间,如钢铁冶炼设备的控制模块中,即便环境温度长期维持在90℃左右,晶振也不会出现频率漂移或功能失效,有效避免因元器件故障导致的生产中断.此外,在户外太阳能逆变器,高温环境下运行的医疗设备专用晶振等场景中,其耐高温优势同样能为设备持续稳定工作提供关键保障,彻底解决传统晶振在高温工况下"寿命短,易故障"的痛点.
.png)
.png)
XRCGE20M000F3A1AR0,Murata村田晶振,耐高温晶振
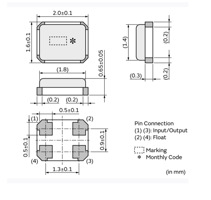
| 原厂型号 Originalmodel: | XRCGE20M000F3A1AR0 | 品牌brand: | Murata村田晶振 |
| 品牌brand: | Murata村田晶振 | ESR(等效串联电阻)Resistance) | 150 Ohms |
| 型号名称 Modelname: | XRCFD | 温度OperatingTemperature | -40°C~125°C |
| Type系列: | MHz Crystal | 脚位Termination: | 4pad |
| 频率 frequency: | 20 MHz | 封装类型PackageType: | 4-smd |
| FrequencyStability频率稳定度 | ±45ppm | 高度PackageHeight: | 0.70mm |
| frequencytolerance频率容差 | ±30ppm | 最小包装数MPQ: | 3000 |
| Loadcapacitance 负载电容 | 6pF | 包装Packaging: | TapeandReel |
| Size/Dimension尺寸 | 2.00mm x 1.60mm | 安装方式MountingStyle: | SurfaceMount |
.png)
.png)
XRCGE20M000F3A1AR0,Murata村田晶振,耐高温晶振

XRCGE20M000F3A1AR0,Murata村田晶振,耐高温晶振
| XRCGB25M000F3M00R0 | Murata村田晶振 | XRCGB | 25 MHz | ±40ppm | ±30ppm | 6pF | 150 Ohms |
| XRCGB27M120F3M00R0 | Murata村田晶振 | XRCGB | 27.12 MHz | ±40ppm | ±30ppm | 6pF | 150 Ohms |
| XRCGB24M000F3M00R0 | Murata村田晶振 | XRCGB | 24 MHz | ±40ppm | ±30ppm | 6pF | 150 Ohms |
| XRCGB24M000F2P00R0 | Murata村田晶振 | XRCGB | 24 MHz | ±20ppm | ±20ppm | 6pF | 150 Ohms |
| XRCGB32M000F1H01R0 | Murata村田晶振 | - | 32 MHz | ±10ppm | ±10ppm | 8pF | 60 Ohms |
| XRCGB32M000F1H00R0 | Murata村田晶振 | XRCGB | 32 MHz | ±10ppm | ±10ppm | 6pF | 60 Ohms |
| XRCGB25M000F3A00R0 | Murata村田晶振 | XRCGB | 25 MHz | ±35ppm | ±35ppm | 6pF | 100 Ohms |
| XRCGB24M000F0L00R0 | Murata村田晶振 | XRCGB | 24 MHz | ±50ppm | ±100ppm | 6pF | 150 Ohms |
| XRCGB48M000F4M00R0 | Murata村田晶振 | XRCGB | 48 MHz | ±40ppm | ±45ppm | 6pF | 100 Ohms |
| XRCGB24M000F3N00R0 | Murata村田晶振 | XRCGB | 24 MHz | ±30ppm | ±30ppm | 6pF | 150 Ohms |
| XRCGB27M120F3M10R0 | Murata村田晶振 | XRCGB | 27.12 MHz | ±40ppm | ±30ppm | 10pF | 80 Ohms |
| XRCGB25M000F3M18R0 | Murata村田晶振 | - | 25 MHz | ±40ppm | ±30ppm | 12pF | 80 Ohms |
| XRCGB32M000F2P01R0 | Murata村田晶振 | - | 32 MHz | ±20ppm | ±20ppm | 8pF | 100 Ohms |
| XRCGB32M000F2P00R0 | Murata村田晶振 | XRCGB | 32 MHz | ±20ppm | ±20ppm | 6pF | 100 Ohms |
| XRCGB25M000F2P02R0 | Murata村田晶振 | - | 25 MHz | ±20ppm | ±20ppm | 10pF | 150 Ohms |
| XRCGB27M120F2P00R0 | Murata村田晶振 | XRCGB | 27.12 MHz | ±20ppm | ±20ppm | 6pF | 150 Ohms |
| XRCGB25M000F2P00R0 | Murata村田晶振 | XRCGB | 25 MHz | ±20ppm | ±20ppm | 6pF | 150 Ohms |
| XRCGB24M000F2P01R0 | Murata村田晶振 | - | 24 MHz | ±20ppm | ±20ppm | 8pF | 150 Ohms |
| XRCGB27M120F3M13R0 | Murata村田晶振 | - | 27.12 MHz | ±40ppm | ±30ppm | 10pF | 60 Ohms |
| XRCGB32M000F2P2CR0 | Murata村田晶振 | XRCGB | 32 MHz | ±20ppm | ±20ppm | 8pF | 70 Ohms |
| XRCGB32M000FBH50R0 | Murata村田晶振 | - | 32 MHz | ±10ppm | ±15ppm | 10pF | 60 Ohms |
| XRCGB24M000F2P91R0 | Murata村田晶振 | XRCGB | 24 MHz | ±20ppm | ±20ppm | 8pF | 60 Ohms |
| XRCGB16M000FXN00R0 | Murata村田晶振 | - | 16 MHz | ±40ppm | ±40ppm | 6pF | 200 Ohms |
| XRCGB32M000F1H02R0 | Murata村田晶振 | - | 32 MHz | ±10ppm | ±10ppm | 10pF | 60 Ohms |
| XRCGB32M000F1H19R0 | Murata村田晶振 | - | 32 MHz | ±10ppm | ±10ppm | 6pF | 50 Ohms |
| XRCGB40M000F5A00R0 | Murata村田晶振 | - | 40 MHz | ±65ppm | ±50ppm | 6pF | 70 Ohms |
| XRCGB24M000F3A00R0 | Murata村田晶振 | XRCGB | 24 MHz | ±35ppm | ±30ppm | 6pF | 120 Ohms |
| XRCGB27M120F3A00R0 | Murata村田晶振 | XRCGB | 27.12 MHz | ±35ppm | ±30ppm | 6pF | 80 Ohms |
| XRCGB25M000F3A01R0 | Murata村田晶振 | XRCGB | 25 MHz | ±35ppm | ±30ppm | 8pF | 100 Ohms |
| XRCGB48M000F5A00R0 | Murata村田晶振 | - | 48 MHz | ±65ppm | ±50ppm | 6pF | 60 Ohms |
| XRCGE25M000FBA1AR0 | Murata村田晶振 | XRCFD | 25 MHz | ±35ppm | ±15ppm | 6pF | 100 Ohms |
| XRCHA20M000F0A01R0 | Murata村田晶振 | XRCHA | 20 MHz | ±100ppm | ±100ppm | 8pF | 80 Ohms |
| XRCGB27M120F0L00R0 | Murata村田晶振 | - | 27.12 MHz | ±50ppm | ±100ppm | 6pF | 150 Ohms |
| XRCGB32M000F0L00R0 | Murata村田晶振 | - | 32 MHz | ±50ppm | ±100ppm | 6pF | 100 Ohms |
| XRCGB24M000FAN00R0 | Murata村田晶振 | XRCGB | 24 MHz | ±40ppm | ±25ppm | 6pF | 150 Ohms |
| XRCGB38M400F4M00R0 | Murata村田晶振 | - | 38.4 MHz | ±40ppm | ±45ppm | 6pF | 100 Ohms |
| XRCGB50M000F4M00R0 | Murata村田晶振 | - | 50 MHz | ±40ppm | ±45ppm | 6pF | 65 Ohms |
| XRCGB32M000F3M00R0 | Murata村田晶振 | - | 32 MHz | ±40ppm | ±30ppm | 6pF | 100 Ohms |
| XRCGB24M000F3M13R0 | Murata村田晶振 | XRCGB | 24 MHz | ±40ppm | ±30ppm | 6pF | 150 Ohms |
| XRCGB32M000F2P02R0 | Murata村田晶振 | - | 32 MHz | ±20ppm | ±20ppm | 10pF | 100 Ohms |
| XRCGB30M000F2P00R0 | Murata村田晶振 | XRCGB | 30 MHz | ±20ppm | ±20ppm | 6pF | 100 Ohms |
| XRCGB27M120F2P02R0 | Murata村田晶振 | - | 27.12 MHz | ±20ppm | ±20ppm | 10pF | 150 Ohms |
| XRCGB32M000F2P26R0 | Murata村田晶振 | - | 32 MHz | ±20ppm | ±20ppm | 5pF | 70 Ohms |
| XRCGB31M250F2P00R0 | Murata村田晶振 | XRCGB | 31.25 MHz | ±20ppm | ±20ppm | 6pF | 100 Ohms |
| XRCGB27M120F3G00R0 | Murata村田晶振 | - | 27.12 MHz | ±50ppm | ±30ppm | 6pF | 150 Ohms |
| XRCGB16M000FXN22R0 | Murata村田晶振 | XRCGB | 16 MHz | ±40ppm | ±40ppm | 8pF | 200 Ohms |
| XRCGB27M600F2C00R0 | Murata村田晶振 | - | 27.6 MHz | ±20ppm | ±20ppm | 6pF | 80 Ohms |
| XRCGB24M000F1H01R0 | Murata村田晶振 | - | 24 MHz | ±10ppm | ±10ppm | 8pF | 80 Ohms |
| XRCGB26M000F1H02R0 | Murata村田晶振 | - | 26 MHz | ±10ppm | ±10ppm | 10pF | 60 Ohms |
| XRCGB24M000F1H70R0 | Murata村田晶振 | - | 24 MHz | ±20ppm | ±10ppm | 6pF | 80 Ohms |
| XRCGB32M000F1H83R0 | Murata村田晶振 | - | 32 MHz | ±15ppm | ±10ppm | 9pF | 60 Ohms |
| XRCGE27M000FBA1AR0 | Murata村田晶振 | XRCGE | 27 MHz | ±35ppm | ±15ppm | 6pF | 80 Ohms |
| XRCGB26M000F3A00R0 | Murata村田晶振 | - | 26 MHz | ±35ppm | ±30ppm | 6pF | 80 Ohms |
| XRCGE26M000FBA1BR0 | Murata村田晶振 | XRCGE | 26 MHz | ±35ppm | ±15ppm | 8pF | 80 Ohms |
| XRCGE20M000F3A1AR0 | Murata村田晶振 | XRCFD | 20 MHz | ±45ppm | ±30ppm | 6pF | 150 Ohms |
| XRCGB24M000F2A01R0 | Murata村田晶振 | XRCGB | 24 MHz | ±35ppm | ±20ppm | 8pF | 120 Ohms |
| XRCGB27M120F3P00R0 | Murata村田晶振 | - | 27.12 MHz | ±20ppm | ±30ppm | 6pF | 150 Ohms |
| XRCGB32M000F2P55R0 | Murata村田晶振 | XRCGB | 32 MHz | ±20ppm | ±20ppm | 6pF | 80 Ohms |
| XRCPB26M000F2P00R0 | Murata村田晶振 | XRCPB | 26 MHz | ±20ppm | ±20ppm | 6pF | 150 Ohms |
| XRCGB32M000F1H18R0 | Murata村田晶振 | XRCFD | 32 MHz | ±15ppm | ±10ppm | 9pF | 40 Ohms |
.png)
公司:深圳市亿金电子有限公司
SHENZHEN YIJIN ELECTRONICS CO;LTD
电话:0755-27876565
手机:18924600166
QQ:857950243
邮箱:yijindz@163.com
网站:http://www.yijindz.com
地址:广东省深圳市宝安区新安107国道旁







销售代表